|
一、產品特點:
法蘭連接三通球閥,連接三通球閥,法蘭三通球閥產品特點①、兩閥座密封三通球閥結構緊湊、外型美觀、密封性能好。也能實現管道中介流向的切換。也能使阻互垂直的兩個通道連通或關閉。②、四閥座密封三通球閥造型美觀,結構緊湊合理,它不僅可實現介質流向的切換,也可使三個通道相互連通,同時也可關閉任一通道,使另外一通道連通,靈活控制管路中介質的合流或分流。

二、主要零件材料:
|
零件名稱
|
材質
|
|
GB
|
ASTM
|
|
閥體、閥蓋
|
WCB
|
A216-WCB
|
|
密封圈
|
PTFE、對位聚苯
|
PTFE、對位聚苯
|
|
球體
|
1Cr18Ni9Ti
|
SS304
|
|
閥座、閥桿
|
2Cr13
|
A246-416
|
|
雙頭螺栓
|
35CrMoA
|
A193-B7
|

備注:三通球閥一般采用兩閥座結構,如流向圖A所示兩種工況。選用兩面閥座L型結構(即Q44型)。流向B中①和④兩種工況亦可選用兩閥座T型結構(即Q45型)。流向圖B②和③兩種工況必須選用四閥認T型結構(即Q45型)。其余工況也可以先用四閥座結構,但在訂貨合同中注明閥座結構。如閥門有其它要求請參閱樣本《閥門的型號編制方法》填寰相應的要求代號。
三、主要性能范圍:
|
公稱壓力
|
試驗壓力(MPa)
|
|
殼體
|
高壓液密封
|
體壓氣密封
|
|
1.6
|
2.4
|
1.76
|
0.6
|
|
2.5
|
3.75
|
2.75
|
|
4.0
|
6.0
|
4.4
|
|
CLASS150
|
3.0
|
2.2
|
|
適用工況
|
適用介質
|
水、油品、氣等非腐蝕和酸堿腐蝕介質
|
|
適用溫度
|
-28~350℃
|
|
應用規范
|
連接法蘭
|
JB79-59、GB9113、HG20592-97、ANSI B16.5
|
|
檢驗試驗
|
GB/T9092-99、API598
|
其余制造規范均按本廠標準;
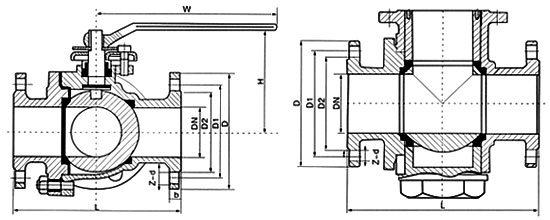
四、法蘭連接三通球閥國標連接尺寸和外形 PN1.6MPa :
|
型號
|
公稱通徑DN(mm)
|
尺寸(mm)
|
|
L
|
L2
|
D
|
D1
|
D2
|
b
|
f
|
Z-d
|
H
|
W
|
|
Q44F-16C
(P)
(R)
|
15
|
150
|
72
|
95
|
65
|
45
|
14
|
2
|
4-14
|
95
|
130
|
|
20
|
160
|
80
|
105
|
75
|
55
|
14
|
2
|
4-14
|
110
|
130
|
|
25
|
180
|
90
|
115
|
85
|
65
|
14
|
2
|
4-18
|
120
|
140
|
|
32
|
200
|
100
|
135
|
100
|
78
|
16
|
2
|
4-18
|
144
|
180
|
|
40
|
220
|
110
|
145
|
110
|
85
|
16
|
3
|
4-18
|
152
|
220
|
|
50
|
240
|
120
|
160
|
125
|
100
|
16
|
3
|
4-23
|
182
|
220
|
|
65
|
260
|
130
|
180
|
145
|
120
|
16
|
3
|
4-18
|
193
|
240
|
|
80
|
280
|
140
|
195
|
160
|
135
|
20
|
3
|
8-18
|
217
|
270
|
|
100
|
320
|
160
|
215
|
180
|
155
|
20
|
3
|
8-18
|
245
|
350
|
|
125
|
380
|
190
|
245
|
210
|
185
|
22
|
3
|
8-18
|
282
|
500
|
|
150
|
440
|
220
|
280
|
240
|
210
|
24
|
3
|
8-23
|
319
|
600
|
|
200
|
550
|
260
|
335
|
295
|
265
|
26
|
3
|
12-23
|
380
|
1000
|
|
250
|
670
|
310
|
405
|
355
|
320
|
30
|
3
|
12-25
|
460
|
1400
|
|
300
|
720
|
370
|
460
|
410
|
375
|
30
|
3
|
12-25
|
520
|
1800
|
五、法蘭連接三通球閥美標連接尺寸和外形 150Lb :
|
公稱通徑DN
|
尺寸(mm)
|
|
(in)
|
(mm)
|
L
|
D
|
D1
|
D2
|
b
|
f
|
Z-Φd
|
H
|
L0
|
|
1/2
|
15
|
140
|
89
|
60.5
|
35
|
10
|
1.6
|
4-Φ15
|
55
|
130
|
|
3/4
|
20
|
165
|
98
|
70
|
43
|
11
|
1.6
|
4-Φ15
|
55
|
130
|
|
1
|
25
|
165
|
108
|
79.5
|
51
|
12
|
1.6
|
4-Φ15
|
70
|
140
|
|
11/4
|
32
|
220
|
117
|
79
|
64
|
13
|
1.6
|
4-Φ15
|
75
|
180
|
|
11/2
|
40
|
250
|
127
|
98.5
|
73
|
15
|
1.6
|
4-Φ15
|
90
|
220
|
|
21/2
|
50
|
260
|
152
|
120.5
|
92
|
16
|
1.6
|
4-Φ19
|
104
|
260
|
|
2
|
65
|
320
|
178
|
139.5
|
105
|
18
|
1.6
|
4-Φ19
|
153
|
350
|
|
3
|
80
|
320
|
190
|
152.5
|
127
|
19
|
1.6
|
4-Φ19
|
187
|
400
|
|
4
|
100
|
370
|
229
|
190.5
|
157
|
24
|
1.6
|
8-Φ19
|
206
|
500
|
|
5
|
125
|
510
|
254
|
216
|
186
|
24
|
1.6
|
8-Φ22
|
252
|
600
|
|
6
|
150
|
510
|
279
|
241.5
|
216
|
26
|
1.6
|
8-Φ22
|
244
|
1000
|
|
8
|
200
|
580
|
373
|
298.5
|
270
|
29
|
1.6
|
8-Φ22
|
283
|
1300
|
|
10
|
250
|
670
|
406
|
362
|
324
|
31
|
1.6
|
12-Φ25
|
345
|
1600
|
|
12
|
300
|
720
|
483
|
432
|
381
|
32
|
1.6
|
12-Φ25
|
420
|
2100
|
|