GID-系列電動真空蝶閥是在1.3×10-5~3×105Pa的真空系統中用來開啟或隔斷氣流的電動閥門。
主要性能:
● 漏率:≤1.3×10-9Pa.M3/S;
● 適用壓力范圍:1.3×10-5Pa~3×105Pa;
● 工作溫度:氟橡膠-25℃~+150℃;
● 安裝位置:任意;
● 閥板兩側壓力差與閥開、關無關;
● 壽命:≥10000次。
GID-系列電動真空蝶閥的原理:
采用電動裝置旋轉900達到開和關的目的。
特點:
● 閥門能承受正壓力;
● 閥桿上下不竄動;
主要零件材料:
體、桿、板 不銹鋼、碳鋼鍍鎳;
密封件 氟橡膠、丁腈膠;
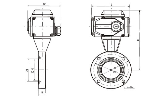
外形及連接尺寸



