
D671J氣動襯膠蝶閥概述
氣動襯膠蝶閥,是采用高精度氣動活塞式執行器與中線密封蝶閥組成,氣動襯膠蝶閥不僅具有優良的防腐、(耐堿、鹽性能,耐弱酸侵蝕)耐磨、減磨性能,(比普通蝶閥使用壽命可明顯延長)而且具有無毒、抗菌、防霉等特點,更有操作力矩小,(比普通有銷蝶閥降低百分之四十)維修方便,外形美觀等突出優點。氣動襯膠蝶閥主要用于水處理設備配套,廣泛用于食品、醫藥、化工、石油、電力、輕紡、造紙等給水排水、氣體管道上作調作充量和截流介質的場合。
D671J氣動襯膠蝶閥產品特點
(1)尼龍涂層與環氧樹脂涂層相結合,符合環保要求。
(2)閥板特有設計,流量系數大,流阻小。在額定壓力下,實現零泄漏。
(3)采用半軸無銷連接,結構簡單緊湊,維修拆卸極為方便,迅速(可現場拆裝),蝶板有自動對中功能,實現了蝶板與閥座過盈配合。
(4)閥桿密封圈起雙向密封作用,避免介質外流,防止外來物質侵入,做到整閥零外漏。
(5)氣動襯膠蝶閥具有良好的切斷和調節性能,能達到氣泡級密封,啟閉力矩小,使用壽命長等特點。
D671J氣動襯膠蝶閥主要技術參數

D671J氣動襯膠蝶閥執行器技術參數

采用新型氣動執行器,有雙作用式和單作用式(彈簧復位),齒輪齒條傳動,安全可靠;大口徑閥門采用系列AW型氣動執行器拔叉式傳動,結構合理,輸出力大,有雙作用式和單作用式。
1、齒輪式雙活塞,輸出力矩大,體積小。
2、氣缸選用鋁金材料,重量輕、外形美觀。
3、可在頂部、底部安裝手動操作機構。
4、齒條式連接可調節開啟角度、額定流量。
5、執行器可選帶電訊號反饋指示及附件以實現自動化操作。
6、IS05211標準連接為產品的安裝更換提供了方便。
7、兩端調的節螺釘可使標準產品在0°和90°有±4°的可調范圍。確保與閥門的同步精度。
D671J氣動襯膠蝶閥主要零件材料

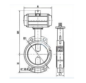
D671J氣動襯膠蝶閥安裝連接尺寸


D671J氣動襯膠蝶閥產品選型
(1)閥體參數:公稱通徑、工作壓力、工藝介質、使用場合、閥體材料等系列參數。
(2)執行器參數:執行器形式、控制方式、控制信號(4-20mA,1-5V)、作用方式(氣-開式,氣-關式)盡量詳細提供氣動襯膠蝶閥的技術參數,方便我公司銷售及技術人員為您準確選型。如有任何疑問.您可以致電給我們,我們一定會盡心盡力為您提供優質的服務!

| D971F46電動襯氟蝶閥 | D971F電動四氟蝶閥 | D641F46氣動襯氟法蘭蝶閥 | D641X氣動法蘭蝶閥 |
![]() |
![]() |
![]() |
![]() |






