|
公司基本資料信息
|
|||||||||||||||||||||||||||
伸縮蝶閥適用于溫度≤80℃,公稱壓力≤1.6MPa的食品、醫藥、化工、石油、電力、輕紡、造紙等給排水、氣體管道上作調節流量和截流介質的作用,具有補償管道熱脹冷縮的功能。其主要特點如下: 1、設計新穎、合理、結構獨特、重量輕、操作方便、啟閉迅速;
2、伸縮蝶閥除了能作調節和截流作用、補償管道溫差所產生的熱脹冷縮功能外,還能為安裝更換、維修閥門提供方便。
3、密封部位可調節更換、密封性能可靠等特點。
SD343H伸縮蝶閥采用標準 ; 設計標準:GB/T12238-1989 法蘭連接尺寸:GB/T9113.1-2000;GB/T9113.2-2000 GB/T9115.1-2000;GB/T9115.2-2000 壓力試驗:GB/T13927-1992;JB/T9092-1999 SD343H伸縮蝶閥主要技術參數 公稱通徑DN(mm)50~2000 公稱壓力PN(MPa)0.61.01.6 試驗壓力強度試驗0.91.52.4 密封試驗0.661.11.76 氣密封試驗0.60.60.6 適用溫度≤80℃ 適用介質空氣、水、蒸氣、煤氣、油品等。 驅動形式手動、蝸桿蝸輪傳動、氣傳動、電傳動。
SD343H伸縮蝶閥主要零件的材質; 零件名稱材料 閥體鑄鐵、鑄鋼、不銹鋼、鉻鉬鋼、合金鋼 蝶板鑄鋼、合金鋼、不銹鋼、鉻鉬鋼 密封圈橡膠、聚四氟、聚內脂、不銹鋼 閥桿2Cr13、不銹鋼、鉻鉬鋼 伸縮管鑄鐵、鑄鋼、不銹鋼、鉻鉬鋼 填料柔性石墨
SD343H伸縮蝶閥主要技術參數
|
公稱通徑
|
DN(mm)
|
50~2000
|
||
|
公稱壓力
|
PN(MPa)
|
0.6
|
1.0
|
1.6
|
|
試驗壓力
|
強度試驗
|
0.9
|
1.5
|
2.4
|
|
密封試驗
|
0.66
|
1.1
|
1.76
|
|
|
氣密封試驗
|
0.6
|
0.6
|
0.6
|
|
|
適用溫度
|
≤80℃
|
|||
|
適用介質
|
空氣、水、蒸氣、煤氣、油品等。
|
|||
|
驅動形式
|
手動、蝸桿蝸輪傳動、氣傳動、電傳動。
|
|||
SD343H伸縮蝶閥主要零件的材質
|
零件名稱
|
材料
|
|
閥體
|
鑄鐵、鑄鋼、不銹鋼、鉻鉬鋼、合金鋼
|
|
蝶板
|
鑄鋼、合金鋼、不銹鋼、鉻鉬鋼
|
|
密封圈
|
橡膠、聚四氟、聚內脂、不銹鋼
|
|
閥桿
|
2Cr13、不銹鋼、鉻鉬鋼
|
|
伸縮管
|
鑄鐵、鑄鋼、不銹鋼、鉻鉬鋼
|
|
填料
|
柔性石墨
|
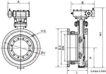
SD343H伸縮蝶閥外形尺寸;

|
公稱通徑
|
外形尺寸(參考值)
|
法蘭尺寸和螺栓孔尺寸(標準值)
|
|||||||||||||||||
|
H
|
H1
|
設計最大長度
|
設計最小長度
|
設計長度
|
A
|
B
|
0.6MPa
|
1.0MPa
|
1.6MPa
|
||||||||||
|
毫米
|
D
|
D1
|
D2
|
n-d
|
D
|
D1
|
D2
|
n-d
|
D
|
D1
|
D2
|
n-d
|
|||||||
|
50
|
80
|
309
|
186
|
156
|
171
|
180
|
200
|
140
|
110
|
88
|
4-14
|
165
|
125
|
99
|
4-18
|
165
|
125
|
99
|
4-18
|
|
65
|
95
|
337
|
190
|
160
|
175
|
180
|
200
|
160
|
130
|
108
|
4-14
|
185
|
145
|
118
|
4-18
|
185
|
145
|
118
|
4-18
|
|
80
|
98
|
347
|
198
|
166
|
182
|
180
|
200
|
190
|
150
|
124
|
4-18
|
200
|
160
|
132
|
8-18
|
200
|
160
|
132
|
8-18
|
|
100
|
114
|
373
|
228
|
188
|
208
|
180
|
200
|
210
|
170
|
144
|
4-18
|
220
|
180
|
156
|
8-18
|
220
|
180
|
156
|
8-18
|
|
125
|
128
|
405
|
240
|
201
|
220
|
180
|
200
|
240
|
200
|
174
|
8-18
|
250
|
210
|
184
|
8-18
|
250
|
210
|
184
|
8-18
|
|
150
|
139
|
440
|
246
|
206
|
226
|
270
|
280
|
265
|
225
|
199
|
8-18
|
285
|
240
|
211
|
8-22
|
285
|
240
|
211
|
8-22
|
|
200
|
174
|
612
|
265
|
219
|
242
|
400
|
425
|
320
|
280
|
254
|
8-18
|
340
|
295
|
266
|
8-22
|
340
|
295
|
266
|
12-22
|
|
250
|
215
|
693
|
295
|
240
|
267
|
400
|
425
|
375
|
335
|
309
|
12-18
|
395
|
350
|
319
|
12-22
|
405
|
355
|
319
|
12-26
|
|
300
|
245
|
747
|
308
|
254
|
282
|
450
|
560
|
440
|
395
|
363
|
12-22
|
445
|
400
|
370
|
12-22
|
460
|
410
|
370
|
12-26
|
|
350
|
270
|
802
|
327
|
272
|
300
|
450
|
560
|
490
|
445
|
413
|
12-22
|
505
|
460
|
429
|
16-22
|
520
|
470
|
429
|
16-26
|
|
400
|
305
|
991
|
368
|
308
|
338
|
535
|
580
|
540
|
495
|
463
|
16-22
|
565
|
515
|
480
|
16-26
|
580
|
525
|
480
|
16-30
|
|
450
|
325
|
1037
|
370
|
310
|
340
|
535
|
580
|
595
|
550
|
518
|
16-22
|
615
|
565
|
530
|
20-26
|
640
|
585
|
548
|
20-30
|
|
500
|
360
|
1127
|
392
|
332
|
362
|
535
|
580
|
645
|
600
|
568
|
20-22
|
670
|
620
|
582
|
20-26
|
715
|
650
|
609
|
20-33
|
|
600
|
445
|
1377
|
441
|
375
|
408
|
570
|
660
|
755
|
705
|
667
|
20-26
|
780
|
725
|
682
|
20-30
|
840
|
770
|
720
|
20-36
|
|
700
|
505
|
1496
|
460
|
400
|
430
|
750
|
550
|
860
|
810
|
772
|
24-26
|
895
|
840
|
794
|
24-30
|
910
|
840
|
794
|
24-36
|
|
800
|
560
|
1584
|
499
|
445
|
475
|
750
|
550
|
975
|
920
|
878
|
24-30
|
1015
|
950
|
901
|
24-33
|
1025
|
950
|
901
|
24-39
|
|
900
|
630
|
1676
|
520
|
460
|
490
|
750
|
550
|
1075
|
1020
|
978
|
24-30
|
1115
|
1050
|
1001
|
28-33
|
1125
|
1050
|
1001
|
28-39
|
|
1000
|
680
|
1760
|
600
|
530
|
565
|
900
|
750
|
1175
|
1120
|
1078
|
28-30
|
1230
|
1160
|
1112
|
28-36
|
1255
|
1170
|
1112
|
28-42
|
|
1200
|
795
|
2018
|
675
|
571
|
623
|
1000
|
925
|
1405
|
1340
|
1295
|
32-33
|
1455
|
1380
|
1328
|
32-39
|
1485
|
1390
|
1328
|
32-48
|
|
1400
|
900
|
2363
|
760
|
683
|
722
|
1000
|
925
|
1630
|
1560
|
1510
|
36-36
|
1675
|
1590
|
1530
|
36-42
|
1685
|
1590
|
1530
|
36-48
|
|
1600
|
1100
|
2723
|
860
|
770
|
815
|
1000
|
925
|
1830
|
1760
|
1710
|
40-36
|
1915
|
1820
|
1750
|
40-48
|
1930
|
1820
|
1750
|
40-56
|
|
1800
|
1124
|
2844
|
930
|
830
|
880
|
1100
|
980
|
2045
|
1970
|
1718
|
44-39
|
2115
|
2020
|
1950
|
44-48
|
2130
|
2020
|
1950
|
44-56
|
|
2000
|
1292
|
3127
|
1020
|
920
|
970
|
1100
|
980
|
2265
|
2180
|
2125
|
48-42
|
2325
|
2230
|
2150
|
48-48
|
2345
|
2230
|
2150
|
48-62
|
感謝您訪問我們的網站【http://www.zgsd-v.com/】,如有任何疑問.您可以致電給我們,我們一定會盡心盡力為您提供優質的服務。
D943H電動硬密封法蘭蝶閥 SD943H電動伸縮蝶閥 D971X電動軟密封對夾蝶閥 D941X電動軟密封法蘭蝶閥 D973H/F型電動對夾式硬密封蝶閥 氣動調節法蘭蝶閥 D641X氣動法蘭式軟密封蝶閥 D643氣動硬密封法蘭蝶閥 氣動煤氣快速切斷蝶閥 D341F4襯氟蝶閥 TD341W蝸輪通風蝶閥 SD343H伸縮蝶閥 D343H彈性硬密封法蘭蝶閥 D71X手動對夾軟密封蝶閥 D371X蝸輪對夾軟密封蝶閥 D373H對夾硬密封蝶閥 XD371X-10消防信號蝶閥 D815HG美標蝶閥 ZAJW調節型電動蝶閥 D315系列美標凸耳式蝶閥