|
公司基本資料信息
|
|||||||||||||||||||||||||||
上海非俗工控自動化設備有限公司
(西門子代理商)
聯系人 :瞿章明( 銷售工程師 )
24小時服務熱線 :132 1743 0013
商務QQ :2750 130 146
微信 :132 1743 0013
地址( Add ) :上海市松江區海立華亭5幢
我公司只銷售西門子原裝正品,假一罰十,享受西門子免費質保一年(部分產品可換新)
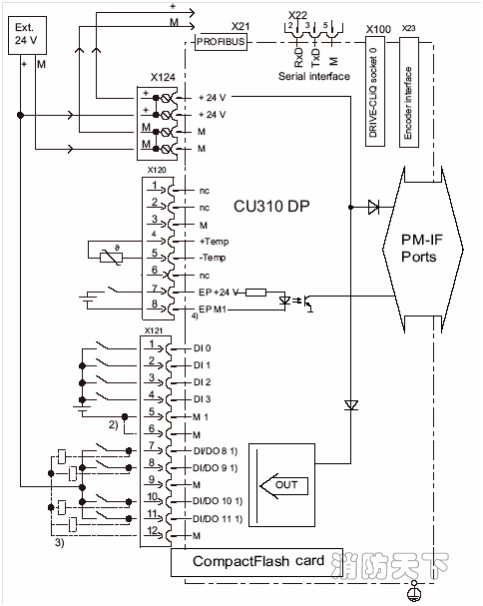
1) 和功率模塊配合使用方法:
? 模塊型功率模塊:
?? CU310-2 DP 通過PM-IF 接口直接插到功率模塊上。
?? 如果編碼器是HTL 和TTL 信號,則可直接插接到X23。
?? X100 Drive-CLiQ 接口,接帶Drive-CLiQ 的編碼器、傳感器、端子模塊等。
?? X21 Profibus-DP 接口,與Profibus-DP 網絡相連。
? 裝機裝柜型功率模塊
?? CU310-2 DP 通過X100 的Drive-CLiQ 接口與功率模塊相連接。
?? 傳感器模塊、端子模塊等直接連接到功率模塊的Drive-CLiQ 插槽。
?? X21 Profibus-DP 接口,與Profibus-DP 網絡相連。

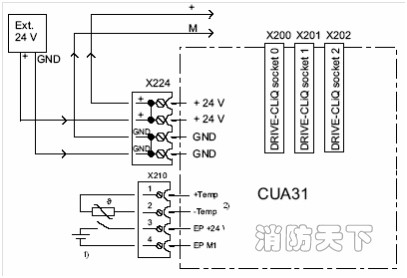
控制單元 CUA31 簡述
CUA31 是控制單元的適配器,通過集成的Drive-CLiQ 接口,將模塊型的功率模塊連接到CU320 或Simotion D 模塊上,來完成運動控制功能。而裝機裝柜型的功率單元已集成了CUA31。

控制單元 CUA31 結構框圖
控制單元-CU320-2
控制單元即CU320,它是驅動系統的大腦,負載控制和協調整個驅動系統中的所有模塊,完成各軸的
電流環、速度環甚至位置環的控制,并且同一塊CU320 控制的各軸之間能相互交換數據,即任意一根軸能
夠讀取控制單元上其它軸的數據,這一特征廣泛被用作多軸之間的簡單的速度同步。
用作速度控制
? 更大控制的軸數(指用帶性能擴展1 的CF 卡):通常為6 個伺服軸或4 個矢量軸或8 個V/F 軸 。實際
控制的軸數與CU320 的負荷(即所選的功能)有關,應以SIZER 配置軟件為準。
? 伺服軸和矢量軸不能用一塊CU320 來控制,即伺服軸和矢量軸不能混配在一塊CU320 上,但伺服
或矢量都能與V/F 混配。
? 更大輸出頻率及弱磁:伺服為650kHz,矢量和V/F 控制為300kHz。更大為5 倍的弱磁。
?? 用作位置控制
更大控制的軸數(指用帶性能擴展1 的CF 卡):用作伺服控制時,更大為4 個軸;用作矢量控制
時,更大為2 個軸,控制軸的數量不是的,與CU320 的負荷有關,具體控制軸數應由實際應用決
定。推薦使用SIZER 配置軟件來決定所能控制的更大軸數。


