|
公司基本資料信息
|
|||||||||||||||||||||||||||
勇擔責任
致力于符合道德規范的、負責任的行為
西門子努力滿足一切法律和道德要求,并且,只要可能,我們還努力超越這些要求。我們的責任是按照高的職業和道德標準和慣例來開展業務:公司絕不容忍任何不合規的行為。
我們在“勇擔責任”方面的原則堪稱我們制定業務決策的指南針。我們還必須鼓勵我們的商業伙伴、供應商和其他利益相關者遵循同樣高的道德標準。
追求卓越
取得卓越的業績和運營成果
追求卓越,是我們在每個業務都將盡力實現的目標。我們根據公司愿景制定這一遠大目標,并在其指引下提供優異的質量及超越客戶需求的解決方案。一直如此。
追求卓越還意味著吸引市場上優秀的人才。我們將幫助這些人才掌握獲得成功所需的各種技能,給他們提供發揮潛力的絕佳機會。我們致力于營造一種高績效企業文化。
追求卓越不僅僅關系到我們今天所做的一切,它還要求我們找到一條持續改善的道路。這需要我們靈活、積極地迎接變革,從而確保我們能夠牢牢把握新的機遇。
矢志創新
敢于創新,創造可持續的價值
創新已成為西門子業務成功的基石。研發是西門子發展戰略的基本動力。作為關鍵專利的持有者,無論是已經成熟的工藝,還是正在發展的技術,我們都是客戶強有力的合作伙伴。我們的目標是,在所涉足的眾多業務,都占據技術領袖地位。
我們是創新惠及全球的企業公民。我們用客戶是否成功來衡量我們的創新是否成功。我們不斷調整業務組合,以便為全人類共同面臨的嚴峻的挑戰提供解決方案,從而使我們得以創造可持續的價值。
通過引領潮流,我們可以完全釋放員工的能量和創造力。我們富于獨創,也欣賞這種素質的所有含義:獨創性、創造力、奇思妙想,等等。
(SIEMENS)上海非俗工控自動化設備有限公司(西門子分銷商)
聯系人 :瞿章明(銷售工程師)
聯系手機:132 1743 0013 (24小時服務熱線)
商務QQ :275 0130 146
微信 :132 1743 0013
地址( Add ) :上海市松江區海立華亭5幢
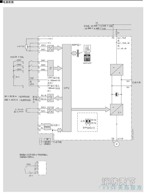
特點
主要特性
?? 易于安裝
?? 易于調試
?? 牢固的EMC 設計
?? 可由IT(中性點不接地)電源供電
?? 對控制信號的響應是快速和可重復的
?? 參數設置的范圍很廣,確保它可對廣泛的應用對象進行配置
?? 電纜連接簡便
?? 采用模塊化設計,配置非常靈活
?? 脈寬調制的頻率高,因而電動機運行的噪音低
?? 詳細的變頻器狀態信息和信息集成功能
?? 有多種可選件供用戶選用:用于與PC 通訊的通訊模塊,基本操作面板(BOP),優質操作面板(AOP),用于進行現場總線通訊的PROFIBUS 通訊模塊
性能特征
?? 磁通電流控制(FCC),改善了動態響應和電動機的控制特性
?? 快速電流限制(FCL)功能,實現正常狀態下的無跳閘運行
?? 內置的直流注入制動
?? 復合制動功能改善了制動特性
?? 加速/減速斜坡特性具有可編程的平滑功能
?? 具有比例,積分(PI)控制功能的閉環控制
?? 多點V/f 特性
保護特性
?? 過電壓/欠電壓保護
?? 變頻器過熱保護
?? 接地故障保護
?? 短路保護
?? I2t 電動機過熱保護
?? PTC 電動機保護
