|
公司基本資料信息
|
|||||||||||||||||||||||||||
適用范圍
適用于智能樓宇, ,潔凈室,工業廠房,農業大棚,倉儲,超市,冷房、冰柜等需要溫度測量監控的各種場所
產品特點
◆ 進口溫度傳感器,性能可靠,精度高, 年漂移小;
◆ 大屏幕LCD同步顯示溫度實時值;
◆ 底座與主體可分離式結構,易于安裝,易于維護;
◆ 完善的接口保護,防護性能好;
主要技術參數
供電電壓: DC24V,電流 < 10mA
測量范圍: -20℃~70℃
測量精度: ±0.5℃
顯示分辨率: 0.1℃
接口類型: 4-20mA
安裝方式: 室內墻面安裝,天花板吸頂安裝
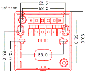
外形尺寸: 82mmX82mmX29mm
重量: 約200g
安裝方式
1、安裝時,線槽端頭與傳感器底座連接處,應用PVC終端頭過渡。為了保證線槽與傳感器安裝在同一軸心線上,建議先安裝底座,然后在釘線槽。
2、傳感器至空調送風口的水平距離應大于1.5m,至頂棚送風口的距離應大于0.5m。
注意事項
為了防止隔離地板下冷空氣通過線槽影響傳感器真實測試,線槽上端口處加接PVC終端頭,或將傳感器安裝在線槽側面為佳。
設置方式
按S鍵7秒由測量轉為設置模式,按▲或▼鍵改變設置選項,選中所要設置選項,按S鍵出現選項數值,按▲或▼鍵改變數值,按S鍵保存數值并退回到選項狀態,選中End選項,按S鍵退出設置模式,進入設置模式25秒沒按鍵將自動退出設置模式。
為溫度選項,此界面按S鍵選定后可調整溫度值。
為濕度選項,此界面按S鍵選定后可調整濕度值
為溫度輸出選項,此界面按S鍵選定后可調整溫度輸出范圍。
為0至50℃輸出,即4-20mA對應0至50℃,
為0至60℃輸出,
為-10至50℃輸出,
為-10--60℃輸出,
為10--50℃輸出,
為結束調整選項,此界面按S鍵退出調整狀態。
外形尺寸

連接圖
